
檀香粉是高品質的線香、盤香及熏衣物、隨身佩帶香囊的天然用料,就連其根部也被用于醫藥及工藝品。有鎮靜、清血抗炎、止癢、除異味、抗菌等功效。

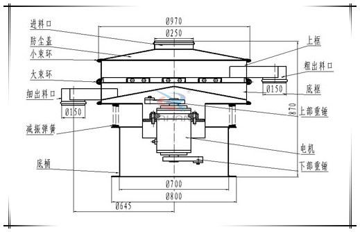
澳洲檀香粉旋振篩是一種做圓形振動、多層數、高效新型的振動篩分設備,澳洲檀香粉旋振篩采用筒體式偏心軸激振器及偏塊調節振幅,物料篩淌線長,篩分規格多。澳洲檀香粉旋振篩在結構上采用筒體式偏心軸激振器及偏心塊調節振幅,先進的鉚釘連接裝配式機架結構,該設計有效的提高了澳洲檀香粉旋振篩的使用壽命及減震彈簧裝置減小了對基礎的沖擊力。

澳洲檀香粉旋振篩具有篩分效率高、噪音小、激振力強、堅固耐用、維修方便、篩分規格多、使用安全等特點。


1、設計先進,質量可靠,結構簡單,維護方便;
2、篩網更換簡單、方便,物料堵塞篩孔現象少;
3、激振力強,篩分效率高,產量大;
4、輪胎聯軸器設計,柔性連接,運轉平穩;
5、小振幅、高頻率,大傾角結構;
6、壽命長,耗能低,噪音小;



澳洲檀香粉旋振篩主要由篩箱、篩網、振動器及減震彈簧等組成,振動器安裝在篩箱側板上,電動機經三角帶帶動使激振器偏心塊高速旋轉,產生離心慣性力,激發篩箱做振動,篩上物料在傾斜的篩面上收到篩箱傳遞的沖量而產生連續的拋擲運動,物料與篩面相遇的過程中使小于篩孔的顆粒透篩,進而實現分級。
